Module Aqara T1

Module Aqara T1 hỗ trợ điều khiển từ xa, tương thích nhiều thiết bị điện
Chỉ một thiết bị Module Aqara T1, nhưng có rất nhiều tính năng hữu ích cho người dùng. Khả năng tương thích nền tảng Apple Homekit sẽ cho bạn nhiều trải nghiệm với
các tự động hóa. Chức năng của Aqara Single Switch Module T1 sẽ bao gồm:
- Điều khiển bật tắt thiết bị từ xa
- Hẹn giờ sử dụng cho các thiết bị đầu cuối
- Lên lịch hoạt động cho các thiết bị trong nhà
- Báo cáo lượng điện tiêu thụ theo giờ, ngày, tháng,…
Module Aqara T1 công suất lên tới 10A, đảm bảo rằng bạn có thể sử dụng với hầu hết các thiết bị trong nhà. Có thể dùng với bình nóng lạnh, quạt, TV, Đèn,….Công tắc Aqara làm cho tất cả các thiết bị gia dụng trở nên thông minh. Miễn là điện thoại di động có mạng (2G/3G/ 4G/ WiFi).
Người dùng có thể điều khiển các thiết bị từ xa bằng cách tắt/bật chúng từ mọi nơi mọi lúc. Một tính năng khác có sẵn là đặt bộ hẹn giờ cho các thiết bị. giúp tiết kiệm tối đa năng lượng trong nhà.

Tạo một hệ thống nhà thật sự thông minh
Khi lắp các thiết bị với công tắc Aqara thì bạn có thể tạo một hệ sinh thái thông minh và hoàn toàn tự động. Điều khiển cả căn nhà chỉ với một ứng dụng duy nhất Apple Home. Bạn có thể kết hợp cùng các phụ kiện Aqara Homekit khác theo một số gợi ý như sau:
– Mở cửa, đèn tự động sáng (Cần có cảm biến cửa aqara + đèn nối với Module Aqara T1)
– Sáng đèn khi phát hiện chuyển dộng trong hành lang và cầu thang (Cần có Cảm biến chuyển động Aqara)
– Tắt toàn bộ đèn với một nhấn, bật toàn bộ với 2 lần nhấn nhanh (Cần có công tắc không dây Aqara D1)
– Tắt đèn vào lúc 23h, khóa cửa tự động, bật chế độ an ninh (Cần có khóa N100, Aqara hub để làm chuông báo)
– Vào buổi sáng, mở rèm, bật máy pha cà phê,… (cần có động cơ rèm thông minh Aqara)
*Lưu ý: các chức năng này yêu cầu có một trong 3 Apple Home hub như iPad hoặc Apple Homepod/Apple TV 4k làm trung tâm.

Thiết kế tối ưu cho mọi công tắc, phản hồi 2 chiều
Module Aqara T1 có kích thước nhỏ gọn chỉ 49,3×46×24 mm có thể nằm gọn phía sau bất kì mặt công tắc nào. Chất liệu nhựa chống cháy an toàn với công suất 2500W.
Chức năng phản hồi 2 chiều cũng được tích hợp trong công tắc. Khi bạn bật tắt thiết bị từ điện thoại thì thiết bị phản hồi nhanh chóng, trong khi đó nếu bạn tắt trực tiếp từ thiết bị thì cũng
sẽ được báo về điện thoại của bạn.
Nếu bạn muốn căn nhà mình toàn diện hơn với đế âm vuông có sẵn 86x86mm, bạn có thể dùng các dòng công tắc như: Công tắc thông minh Aqara H1, Công tắc thông minh Aqara D1

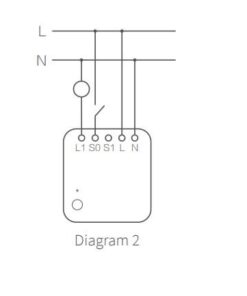
Phân biệt dây Nóng (P/L) và dây Nguội (N) trong hệ thống điện
Đầu tiên để có thể dễ dàng bắt đầu lắp đặt công tắc thông minh AModule Aqara T1. Người dùng phải phân biệt được thế nào là dây Nóng và dây Nguội.

Để phân biệt dây L và dây N, người dùng có thể làm một trong những cách sau:
- Sử dụng bút thử điện: Nếu đèn sang, dây đó sẽ là dây Nóng.
- Nhìn vào màu sắc dây: Thông thường, dây Nóng sẽ có màu đỏ hoặc vàng. Còn dây nguội sẽ có màu đen, xanh hoặc trắng.
- Dây Nóng (kí hiệu P hoặc L “Live”). Đây là dây điện luôn có dòng điện xoay chiều đi qua. Đây cũng là dây điện người dùng luôn phải nối cho công tắc thông minh Aqara đối với cả hai phiên bản có/ không dây N.
- Dây Nguội (kí hiệu N “Neutral”) hay dây trung tính/ dây mát. Nhiệm vụ của đây N là làm kín mạch điện và giúp cân pha (với dòng điện 3 pha). Theo lý thuyết, dây N sẽ không có dòng điện đi qua. Nhưng trên thực tế, dây N vẫn có thể gây ra giật điện cho người dùng với công suất điện nhỏ hơn dây P/L.
Đối với công tắc thông minh âm tường Aqara khuyến khích người dùng sử dụng phiên bản công tắc Có dây Nguội (N). Điều này sẽ đảm bảo thiết bị hoạt động ổn định hơn, chịu được mức điện áp cao hơn, tối ưu hoá mạng mesh và cũng tiết kiện điện hơn.
Các thiết bị điện đều có thể điều khiển một cách đơn giản
Mô-đun công tắc Aqara T1 sẽ tích hợp vào hệ thống dây điện trong nhà bạn. Các thiết bị điện đều có thể điều khiển từ xa qua ứng dụng Aqara Home. Đặc biệt, thiết bị của Aqara tương thích với Apple Home, hệ thống nhà thông minh rất xịn xò. Khách hàng hãy yên tâm và tận hưởng tự động hóa mà các thiết bị thông minh đem lại

Trên ứng dụng Aqara bạn có thể lên lịch , hẹn giờ cho các thiết bị cực kì tiện lợi. Các thiết bị sẽ nhận lệnh mà làm theo không có chút sai lệch nào.
Khi đã kết nối thiết bị Mô-đun chuyển mạch Aqara T1 vào hệ thái, bạn có thể ra lệnh với trợ lý ảo để mô – đun tắt hay mở các thiết bị điện được kết nối
Mất két nối wifi nhưng ngôi nhà thông minh vẫn hoạt động
Nhờ vào công nghệ không dây Zigbee 3.0 , cá thiết bị của bạn dù có bị mất kết nối wifi vẫn hoạt động bình thường. Các thiết bị thông minh Aqara sẽ liên kết bằng công nghệ Zigbee 3.0 đẻ đảm bảo không có sự gián đoạn nào.
Có thể bạn quan tâm: Cảm biến chuyển động Aqara
Trên đây là những thông tin chi tiết về sản phẩm. Để cập nhật thông tin về sản phẩm mới của Aqara, hãy ghé website cchome.com.vn thường xuyên, thông tin sẽ được cập nhật liên tục trên website. Liên hệ ngay zalo: 0818.735.798 để được tư vấn.
>>Tìm hiểu thêm các thiết bị khác trong giải pháp nhà thông minh Aqara tại đây

















Đánh giá Module Aqara T1